Điện trở xả cụm từ này đã quá quen thuộc đối với dân kỹ thuật nhưng không phải ai cũng hiểu rõ về chức năng của chúng, Biến tần hỏng hóc, cháy nổ thường xuyên xảy ra và 1 trong các nguyên nhân là khi hãm động cơ 1 cách quá mức, quá nhanh làm động cơ thành máy phát tạo 1 nguồn điện xông ngược lại biến tần. Để giải quyết tình trạng này thì các nhà sản xuất thường hướng dẫn lắp thêm điện trở xả cho biến tần. Vậy điện trở xả là gì? Cách lựa chọn điện trở xả cho biến tần thể nào để phù hợp với công suất từng loại biến tần sẽ được CHEAPEA chia sẻ chi tiết trong bài viết này.
Điện trở xả là gì?
Điện trở xả là thiết bị điện trở có chức năng biến đổi năng lượng điện dư thừa trong biến tần thành nhiệt, sau đó sẽ tản nhiệt ra môi trường xung quanh. Điện trở xả có công suất lên đến vài trăm W và mục đích chính của chúng là tiêu tán năng lượng điện dư thừa từ động cơ do quán tính hoặc phanh quá mức. Tùy vào công suất của động cơ và biến tần mà bạn có thể chọn điện trở xả cho phù hợp. Điện trở xả thường được sử dụng cùng với biến tần cho các hệ thống yêu cầu thời gian tăng giảm tốc ngắn, tải có quán tính và mômen thay đổi liên tục, thường gặp ở cầu trục và động cơ.

Phân loại điện trở xả
Theo cấu tạo, điện trở xả sẽ có 2 loại là: Điện trở xả nhôm và điện trở xả sứ.
Tham khảo: Biến tần Bơm năng lượng mặt trời
a. Điện trở xả nhôm
Điện trở xả nhôm có độ bền với thời tiết vượt trội so với dòng điện trở xả sứ xanh. Điện trở nhôm chịu dược dao động mạnh, an toàn và ứng dụng rộng rãi như trong các mạch công suất, biến tần, hệ thống AC Servo. Vỏ được làm bằng nhôm nguyên chất Có khả năng chịu được môi trường khắc nhiệt, bụi bẩn….Nó cũng có lắp bổ sung thêm tản nhiệt 2 cách dễ dàng.
Thông số kỹ thuật của điện trở nhôm:
– Dãy công suất từ 60 w ~ 5000 W
– Dải điện áp < 1.2 KV
– Giá trị điện trở 1 Ohm ~ 10 K Ohm
– Độ bện cách điện AC 3 Kv 50 Hz/5s
– Tiêu chuẩn bảo vệ IP33
– Thành phần vật liệu Ocr25AL5
– Ưu điểm : Độ bền cao, hình dáng gọn , chịu được giao động
– Nhược điểm : giá thành cao hơn điện trở sứ

b. Điện trở xả sứ
Điện trở xả sứ xanh với hai đầu mở rộng đấu dây được gắn cố định trên 2 đầu của ống sứ .Trên bề mặt ống sứ có cuốn lớp dây điện trở hợp kim hình sóng và được phủ 1 lớp vật liệu chống cháy và chịu được nhiệt độ cao.
Ống sứ có tác dụng như 1 bộ khung để cuốn dây điện trở và tác dụng tản nhiệt tốt. Dòng sản phẩm này có thể được tùy chỉnh theo các yêu cầu đặc biệt của khách hàng và ứng dụng cho việc mô phỏng kiểm tra tải, thiết bị công suất, hệ thống điều khiển tự động, biến tần, AC Servo….
Thông số kỹ thuật cho điện trở xả sứ:
– Dải công suất 50 W~15000 W
– Dải điện áp < 1.2 KV
– Giá trị điện trở 1 Ohm ~ 10 K Ohm
– Độ bện cách điện AC 3 Kv 50 Hz/5s
– Tiêu chuẩn bảo vệ IP00
– Thành phần vật liệu Ocr25AL5
– Ưu điểm : Ứng dụng được với điện áp cao, giá cả cạnh tranh
– Nhược điểm : Có sự dao động nhẹ

Vai trò của điện trở xả là gì?
Điện trở được đo giá trị bằng Ohm (ôm), được thấy nhiều trong các mạch điện tử. Điện trở xả được nói đến ở đây có công suất lên đến hàng trăm oát (W).
Trong quá trình động cơ dừng, động cơ trở thành máy phát điện tạo ra nguồn điện xoay chiều. Mạch bảo vệ IGBT bằng Diode chống dòng ngược sẽ trở thành mạch chỉnh lưu biến đổi điện áp xoay chiều do động cơ tạo ra thành điện áp DC đưa ngược về DC bus khiến điện áp DC tăng cao. Khi điện áp tại DC bus tăng cao vượt mức bảo vệ của thiết bị, thiết bị sẽ báo lỗi quá áp, trường hợp DC bus tăng cao một cách đột ngột sẽ gây ra nổ IGBT và tụ điện.
Để tránh xảy ra lỗi trên phải có điện trở xả, điện trở xả sẽ làm tiêu hao năng lượng dư thừa trong quá trình động cơ dừng, đảo chiều quay với quán tính lớn dưới dạng nhiệt năng.
Nguyên lý làm việc điện trở xả
Khi động cơ bị hãm nhanh, hay có quán tính lớn, lúc này tốc độ thực tế của động cơ cao hơn tốc độ điều khiển của biến tần, tại thời điểm này biến tần không thể hãm động cơ theo thời gian đã được cài đặt sẵn. Motor biến thành máy phát hồi tiếp tiếp xả năng lượng ngược trở lại, làm tăng điện áp trên các thanh bus DC. Nếu lượng điện này tăng đột ngột có biên độ lớn trong khoảng thời gian ngắn sẽ đánh thủng các linh kiện bán dẫn và làm hỏng biến tần.

Có thể giải thích ngắn gọn như sau:
Khi cấp điện động cơ không đồng bộ, cuộn stator sinh ra từ trường biến đổi liên tục làm quay roto. Nếu như trong quá trình hãm động cơ theo thời gian T được cài đặt sẵn, nhưng vì lý do nào đó mà động cơ theo quán tính chạy nhanh hơn với một Tần số F>f ban đầu. Tốc độ lớn sẽ sinh ra từ trường lơn sinh tiếp lượng điện tự cảm tương ứng vượt ngưỡng đưa trở lại biến tần, sau khi đi qua khối công suất được chỉnh lưu thành nguồn DC tràn vào thanh bus DC.
Giải pháp cho vấn đề này:
Với những tải không cần tăng tốc/hãm nhanh như quạt làm mát, máy bơm nước, thì nên cài đặt thời gian khởi động và tắt dài hơn chút, theo hướng dẫ của nhà sản xuất để tránh biến tần báo lỗi OV
Những tải bắt buộc phải dừng nhanh, chạy nhanh như máy vắt ly tâm, cần cẩu trục, nơi mà dòng điện thay đổi một cách liên tục, ta phải gắn thêm điện trở xả biến tần.
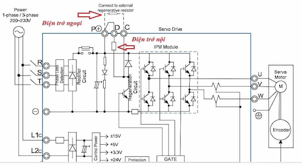
Cách lắp cho biến tần: Ngõ vào điện áp của biến tần là R-S-T. Ngõ ra của động cơ là U-V-W. Điện áp DC bus là P và N1, P1-n, chúng ta lắp vào trên thanh DC bus của biến tần.
Tác dụng điện trở xả cho biến tần
Động cơ đang chạy ở chế độ giống như máy phát điện. Năng lượng trả lại từ động cơ đến biến tần làm tăng điện áp trên DC bus. Chênh lệch giữa tốc độ động cơ thực tế và tốc độ biến tần càng lớn thì năng lượng trả về càng cao. Điện áp trên DC bus sẽ tăng quá cao và biến tần có thể bị hỏng đột ngột trong thời gian ngắn. Nếu có một điện trở xả, năng lượng dư thừa này sẽ được thải ra và tản nhiệt qua điện trở xả.
Chính vì vậy, điện trở xả thường được sử dụng với biến tần khi hệ thống yêu cầu tải với thời gian dốc ngắn, quán tính và mômen thay đổi. Những ứng dụng thường thấy trong cần trục nâng hãm chuyển động của máy cán, băng tải, thang máy,…
Cách đấu điện trở xả cho biến tần

Sơ đồ đấu điện trở xả cho biến tần
– Điện áp đầu vào của biến tần là R-S-T.
– Đầu ra của động cơ là U-V-W.
– Điện áp DC bus là N1 và P, P1-n, được cài đặt trên thanh DC bus biến tần.
Cách mắc song song nhiều điện trở xả:
– Điện trở (Ohm): 1 / R Tổng = 1 / R1 + 1 / R2 + 1 / R3 + …. + 1 / Rn
– Công suất: P Tổng = P1 + p2 + p3 +…. + Pn
Cách mắc nối tiếp nhiều điện trở xả:
– Điện trở (ohms) R Tổng = R1 + R2 + R3 +…. + Rn
– Tính công suất: P tổng = P1 + P2 +…. + Pn
Lựa chọn điện trở xả cho biến tần
Việc chọn điện trở xã thường dựa vào 2 yếu tố chính là công suất điện trở xả (W) và giá trị điện trở (ohm).
Cách chọn công suất điện trở xả biến tần (W)
Công suất điện trở xả lắp cho biến tần được lựa chọn phải đảm bảo hai yếu tố: Đặc tính kỹ thuật và tính kinh tế. Vì vậy, cách chọn công suất điện trở xả chuẩn nhất là tỉ lệ thuận với biến tần xả nhiều điện hay không.
Nếu biến tần xả nhiều điện thì bạn nên chọn điện trở xả công suất lớn và ngược lại. Tuy nhiên, độ xả điện của biến tần nhiều hay ít còn phụ thuộc vào tải của từng ứng dụng.
Ví dụ:
– Tải cần trục, vận thăng… (tải thế năng) thì động cơ sẽ hoạt động như một máy phát điện. Trong quá trình giảm tải và hãm, thời gian giảm tải lâu nên chọn điện trở xả có công suất lớn (công suất điện trở xả bằng 1/2 hoặc 2/3 công suất động cơ).
– Những phụ tải có thời gian hãm lâu và quán tính lớn, như máy vắt, máy quay ly tâm, máy dệt, máy truyền động… Thì bạn nên chú ý chọn những loại điện trở có công suất lớn.
Cách chọn giá trị điện trở xã cho biến tần (ohm)
Giá trị điện trở xã được điều chỉnh bởi thiết kế dòng hãm của từng thương hiệu và loại biến tần. Theo đó, nhà sản xuất biến tần sẽ đưa ra giá trị MIN của điện trở (nghĩa là liên quan đến dòng hãm tối đa của biến tần). Do đó, khi chọn giá trị điện trở, phải chọn loại có giá trị điện trở lớn hơn hoặc bằng giá trị MIN trong bảng tùy theo nhà cung cấp.
Hiện nay hầu hết các hãng sản xuất biến tần theo nguyên lý PWM nên có thể chọn giá trị điện trở gấp 1,5-2 lần giá trị MIN của biến tần. Đối với biến tần xả ít, có thể chọn loại có giá trị điện trở cao hơn, do đó, bạn không cần phải chọn giá trị điện trở chính xác.
Ứng dụng điện trở xả
Trong thực tế việc lắp ghép điện trở xả được dùng rất nhiều trong cả dân dụng và công nghiệp.
Với chủng loại đa dạng như: điện trở xả băng, điện trở xả tuyết, điện trở xả sứ, điện trở xả vỏ nhôm. Điện trở xả được dùng cụ thể:
- Dùng điện trở xả cho kho lạnh, đá tủ lạnh
- Các ứng dụng xả tụ bù cho nhanh hơn để chuẩn bị cho lần đóng tiếp theo cũng được lắp điện trở xả.
Tại sao phải mắc điện trở xả cho biến tần
Khi dùng Biến tần điều khiển động cơ, chúng ta thấy có lúc gắn điện trở xả lúc thì không cần dùng, vậy khi nào cần dùng, giá trị điện trở xả đó thế nào là đúng, mục đích gắn điện trở xả ==> hãy liên hệ ngay với chúng tôi để được hỗ trợ tốt nhất.
Đối với các ứng dụng tải có quán tính lớn hay yêu cầu thời gian tăng/giảm tốc ngắn như hệ thống cẩu trục, máy nén khí, máy dập, máy ép nhựa,.. mà tốc độ thực tế của motor vượt cao hơn tốc độ được điều khiển bằng biến tần, lúc này động cơ hoạt động như một máy phát, năng lượng động cơ trả về biến tần sẽ làm điện áp DC Bus tăng cao trong thời gian ngắn sẽ làm hư hỏng biến tần, do vậy cần gắn điện trở xả để xả tiêu tán năng lượng đó qua thanh điện điện trở xả bằng kiểu điện năng qua nhiệt năng.
– Ngõ vào điện áp là R – S – T
– Ngõ ra động cơ là U – V – W
– Điện áp DC Bus là P và P1 – N và N1
Nhìn vào cấu tạo trên, nếu U-V-W có điện áp xoay chiều, mạch bảo vệ IGBT bằng Diode chống dòng ngược sẽ trở thành mạch chỉnh lưu đưa ngược điện áp DC về DC Bus khiến điện áp DC tích luỹ + với điện áp DC từ phần chỉnh lưu ngõ vào R – S – T ở P – N ( P sẽ nối với PR, N sẽ nối với N1 trong mạch điện ), khiến điện áp DC Bus tăng dần lên. Đến mức bảo vệ của biến tần, biến tần sẽ báo lỗi quá áp. Nếu điện áp này tăng nhanh đột ngột và vượt xa ngưỡng bảo vệ của biến tần, phần công suất của biến tần sẽ hư hỏng.
Do vậy khi điện áp một chiều trên Bus DC cao hơn mức bảo vệ thì biến tần sẽ báo lỗi OV0 (lỗi quá áp)
Nguyên nhân phải dùng điện trở xả
– Khi động cơ làm việc ở chế độ hãm ( hãm động năng, hãm tái sinh) thì động cơ sẽ trở thành máy phát điện. Năng lượng điện này sẽ không đưa được về lưới điện do biền tần có bộ chỉnh lưu. Vì vậy điện áp DC Bus của biến tần sẽ tăng cao hơn mức cho phép. Nếu DC tăng quá cao biến tần sẽ báo lỗi hoặc làm hỏng linh liện, động cơ không hãm được. Để điện áp DC không lên cao thì các nhà sản xuất biến tần có lắp thêm bộ hãm. ( Bộ hãm có thể lắp trong biến tần hoặc bên ngoài biến tần). Bộ hãm có tác dụng đưa điện DC ra điện trở nhằm mục đích ổn áp DC Bus.
– Ta tưởng tượng điện trở xả chính là cái phụ tải. Khi điện áp trên bus DC của biến tần lên cao thì biến tần sẽ cấp điện ra điện trở. Vì vậy nếu ta chọn thông số điện trở ( Ohm ) quá lớn thì biến tần xả chậm một số trường hợp xả không hết thì biến tần vẫn còn báo lỗi, hoặc có thể ảnh hưởng đến thiết bị và tuổi thọ của nó, nếu chọn (Ohm ) điện trở quá nhỏ xả quá nhanh gây ra tình trạng quá dòng hãm của biến tần gây cháy nổ biến tần sau đó cháy điện trở xả. Khi chọn công suất ( W ) của điện trở quá nhỏ không đủ công suất xả thì điện trở sẽ quá tải, quá nhiệt điện trở và điện trở sẽ cháy. Vì vậy việc lựa chọn điện trở xả phụ thuộc vào nhiều yếu tố như: công suất của động cơ, tải của động cơ, hãng biến tần…. khi lựa chọn điện trở xả thì cần xem xét các yếu tố trên và tuân theo chỉ dẫn của nhà sản xuất biến tần.
Mục đích của việc gắn điện trở xả cho biến tần:
==> khắc phục lỗi báo quá áp (OV)
==> nhằm đáp ứng đúng với nhu cầu sản xuất: quá trình sản xuất đòi hỏi phải giảm tốc nhanh, nhưng nếu không gắn điện trở xả vào chúng ta không giảm được vì biến tần báo lỗi thấp áp liên tục.
==> nhằm bảo vệ biến tần: nếu không lắp điện trở xả Biến tần cho các ứng dụng đòi hỏi dừng gấp lại có tải quán tính cao, khi đó điện áp DC bus tăng cao, sẽ gây hư hỏng thiết bị.
==> đối với các ứng dụng tải nặng: cẩu trục, cổng trục, máy nén khí, máy dập, máy ép nhựa … bắt buộc phải gắn điện trở xả cho biến tần.
Cách tính điện trở xả cho biến tần
Bảng tham khảo thông số lựa chọn điện trở cho biến tần

Cách tính toán giá trị điện trở, công suất trở khi phải mắc nối tiếp hoặc song song nhiều điện trở
* Với trường hợp lắp song song nhiều điện trở:
– Công suất tổng = Tổng công suất các điện trở ( PTổng = P1 + P2 + … + Pn ).
– Điện trở tổng = Giá trị 1 điện trở / Tổng số điện trở ( RTổng = R / n ).
* Với trường hợp lắp nối tiếp nhiều điện trở:
– Công suất tổng = Tổng công suất các điện trở ( PTổng = P1 + P2 + … + Pn ).
– Điện trở tổng = Tổng công suất các điện trở ( RTổng = R1 + R2 + … + Rn ).
Trong đó:
+ P Tổng: Công suất tổng.
+ R Tổng: Điện trở tổng.
+ n: Tổng số điện trở được sử dụng.
Mua điện trở xả biến tần ở đâu uy tín
Hiện nay trên thị trường có rất nhiều loại về điện trở xả nên bạn cần lựa chọn điện trở nào cho phù hợp với mục đích của mình nhé!
Đến đây chắc hẳn các bạn đã nắm được một số thông tin về điện trở xả hay Cách lựa chọn điện trở xả như thế nào. Qua bài viết này CHEAPEA mong rằng sẽ giúp bạn hiểu hơn về điện trở xả để lựa chọn phù hợp với nhu cầu.
Mọi chi tiết quý khách hàng hãy liên hệ với CHEAPEA hoặc xem thêm các dòng sản phẩm của chúng tôi:
CÔNG TY TNHH TM&DV CHEAPEA
Địa chỉ: 564 Liên Phường, TP Thủ Đức, TP.HCM
Điện thoại: 0949 17 2016
Fax: 0949 17 2016
Email: info@cheapea.vn
Website: https://cheapea.vn
Theo dõi Cheapea tại:

